当前位置: 首页 > 产品大全 > 38个电磁兼容设计标准参考电路在软件开发中的应用与集成指南

38个电磁兼容设计标准参考电路在软件开发中的应用与集成指南

38个电磁兼容设计标准参考电路在软件开发中的应用与集成指南

在软件开发领域,尤其是在嵌入式系统、物联网设备和工业控制等方向,电磁兼容性(EMC)设计不仅关乎硬件电路的稳定性,也深刻影响着软件运行的可靠性与性能。合理运用电磁兼容设计标准中的参考电路,并将其与软件开发流程紧密结合,已成为提升产品整体质量的关键。本文将探讨如何将这38个标准参考电路有效地融入软件开发周期,实现软硬件的协同优化。

一、电磁兼容设计与软件开发的交汇点

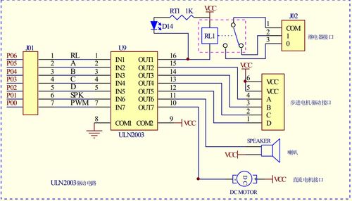
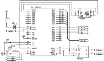
电磁兼容问题常表现为信号干扰、数据错误或系统复位等,这些现象往往需要通过软件手段进行检测、补偿或容错处理。例如,参考电路中涉及的滤波、屏蔽和接地设计,直接影响着软件采集数据的精度和通信协议的稳定性。开发人员需理解这些电路的工作原理,才能在软件层面设计相应的抗干扰算法,如数字滤波、错误校验与重传机制。

二、参考电路在软件开发各阶段的应用

1. 需求分析与规划阶段
根据38个参考电路的特点(如针对电源噪声、射频干扰或静电放电的防护电路),明确软件需处理的异常类型。制定软件需求规格书时,应包含对电磁干扰的容忍度指标,并规划相应的软件测试用例。

2. 架构设计与编码阶段
参考电路中的硬件滤波特性可指导软件中采样频率和数字滤波器参数的选择。例如,对于采用RC滤波的输入电路,软件可结合过采样技术以提升信噪比。针对易受干扰的通信接口(如UART、I2C),参考电路的屏蔽与隔离设计提醒开发人员增加软件层面的超时重试和帧校验功能。

3. 集成测试与验证阶段
利用参考电路构建的测试环境,模拟各类电磁干扰场景(如脉冲群、浪涌),验证软件在极端条件下的健壮性。自动化测试脚本可集成这些场景,持续监测软件的误码率、响应时间等关键指标。

4. 维护与优化阶段
通过软件日志记录系统在真实环境中遇到的干扰事件,与参考电路的预期防护效果进行对比分析。此数据可反馈至硬件优化,或用于迭代软件的错误处理逻辑,形成闭环改进。

三、实践建议与工具支持

  • 建立软硬件协同设计流程:鼓励软件开发人员早期参与电路评审,理解关键EMC风险点。使用模型化工具(如Simulink)进行联合仿真,评估软件算法在干扰环境下的表现。
  • 开发专用软件库:将常见的抗干扰处理(如CRC校验、看门狗管理、信号去抖)封装为可重用模块,并附上对应的参考电路应用说明,提升团队效率。
  • 持续教育与案例分享:定期组织专题研讨,分析这38个参考电路在实际项目中的成功应用案例,强化团队的EMC意识。

###

电磁兼容设计不仅是硬件工程师的职责,更是软件开发中不可忽视的一环。通过深入理解并灵活运用38个标准参考电路,软件团队能够提前规避潜在风险,打造出更稳定、可靠的产品。在日益复杂的电子系统中,软硬件的深度融合已成为应对电磁兼容挑战的必然趋势。


如若转载,请注明出处:http://www.jinan-network.com/product/76.html

更新时间:2026-05-28 15:13:15